Atelier Nissan
Ralonge d'arbre de transmision Avant Patrol KY260
- Détails
- Création : 9 septembre 2010
- Mis à jour : 1 octobre 2011
- Écrit par Loripendr@gon
- Affichages : 14533
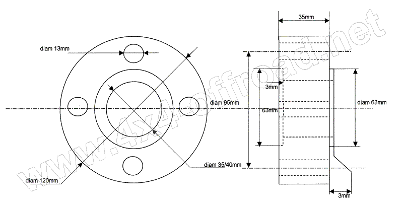
Cette cale s'adresse a tout ce qui réhausse leur patrol et qui ce retrouve avec un arbre de transmision avant trop court..
Ca arrive plus souvant que ce que l'on crois !

Ca arrive plus souvant que ce que l'on crois !

